輸送機防雨罩產品介紹
輸送機防雨罩,河北輸送機防雨罩,膠帶輸送機防雨罩,煤炭輸送機防雨罩適用于電廠、水泥廠、煤礦、鋼鐵廠、碼頭等各大廠礦企業的輸送帶的防雨、防塵、防風,減少貨物在傳送過程中的損失,延長輸送帶使用壽命,輸送機防雨罩可使輸送帶在運行中更為安全可靠,對凈化環境起到極大的作用,為企業減少大量運營成本。
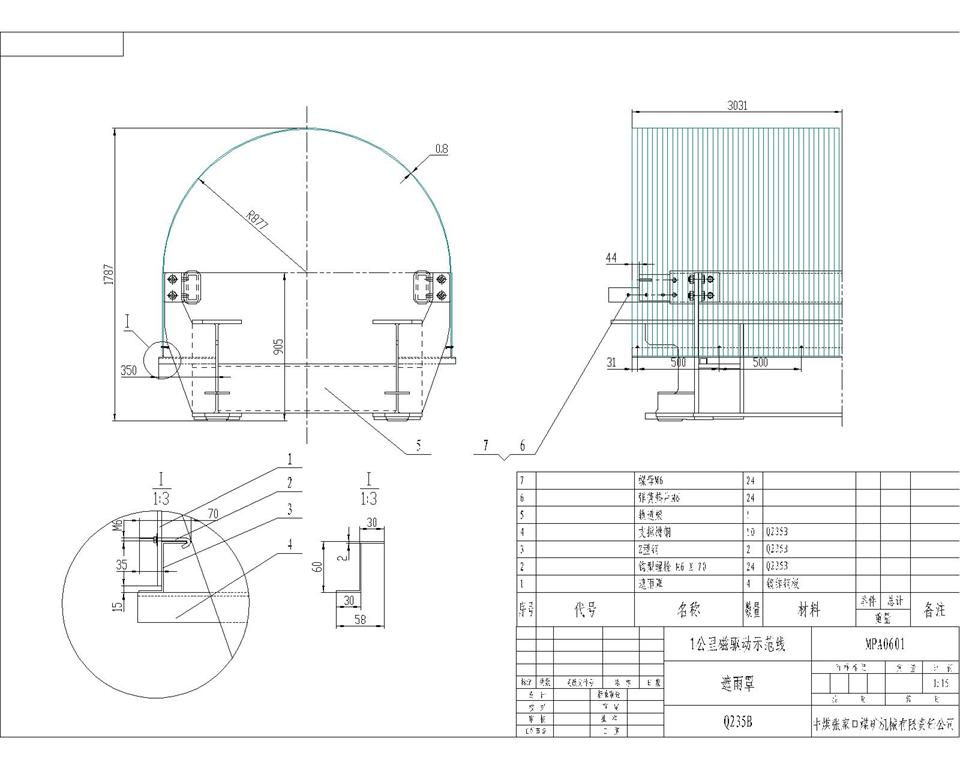
輸送機防雨罩主要技術參數
產品代號 | 適用膠帶機寬(mm) | 膠帶機相關尺寸(mm)DFBA
| 固定罩(mm)LWTR1
| 開啟罩(mm)LWTR1
| |||||||||
YDT5 | 500 | 89 | 125 | 740 | 800 | 862 | 846 | 573 | 423 | 862 | 846 | 573 | 423 |
YDT6 | 650 | 108 | 131 | 890 | 950 | 862 | 996 | 648 | 498 | 862 | 996 | 648 | 429 |
YDT8 | 800 | 108 | 153 | 1090 | 1150 | 862 | 1196 | 748 | 598 | 862 | 1196 | 748 | 598 |
YDT10 | 1000 | 133 | 183.5 | 1290 | 1350 | 862 | 1396 | 848 | 698 | 862 | 1396 | 848 | 698 |
YDT12 | 1200 | 133 | 183.5 | 1490 | 1570 | 862 | 1606 | 953 | 803 | 862 | 1606 | 953 | 803 |
YDT14 | 1400 | 159 | 253.5 | 1730 | 1810 | 862 | 1856 | 1078 | 928 | 862 | 1856 | 1078 | 928 |
YDT16 | 1600 | 159 | 253.5 | 1930 | 2010 | 862 | 2056 | 1173 | 1028 | 862 | 2056 | 1178 | 1028 |
YDT18 | 1800 | 159 | 283.5 | 2200 | 2280 | 862 | 2300 | 1280 | 1150 | 862 | 2300 | 1280 | 1150 |
YDT20 | 2000 | 159 | 283.5 | 2420 | 2500 | 862 | 2546 | 1423 | 1273 | 862 | 2546 | 1423 | 1273 |
輸送機防雨罩,輸送機彩鋼防雨罩,皮帶輸送機防雨罩
輸送機防雨罩是用于保護輸送設備、減少噪音、保護環境而安裝在皮帶輸送機、膠帶輸送機等裝置上的罩子。
彩鋼防雨罩、輸送機防雨罩、輸送機防塵罩、皮帶機防雨罩等。防雨罩對貨物、環境起到極大作用,當貨物在運輸過程中可以減少貨物的損失與浪費,使輸送帶在運輸過程中更為安全可靠,其次也延長了運輸機的使用壽命。
輸送機防雨罩,輸送機彩鋼防雨罩,皮帶輸送機防雨罩廣泛應用于電廠、水泥廠、鋼鐵廠、化工廠、煤炭廠、港口、碼頭、礦山企業等。
輸送機防雨罩,輸送機彩鋼防雨罩,皮帶輸送機防雨罩對貨物、環境起到極大保護作用,當貨物在運輸過程中可以減少貨物的損失與浪費,使輸送帶在運輸過程中更為安全可靠,其次也延長了運輸機的使用壽命。
輸送機防雨罩,輸送機彩鋼防雨罩,皮帶輸送機防雨罩有固定式、開啟式和帶觀察窗口式,可以清楚的看到貨物在傳送過程中及傳送帶運行是否正常,更有跑偏罩,為設有跑偏開關的輸送機起到防雨、防塵等作用。
輸送機防雨罩,輸送機彩鋼防雨罩,皮帶輸送機防雨罩的顏色主要種類為海藍、白灰、紅色等。
輸送機防雨罩,輸送機彩鋼防雨罩,皮帶輸送機防雨罩的生產需要多個工序完成,包括選板,上料,壓型,剪板,壓弧,調高,包裝等。
作為固定輸送機防雨罩,輸送機彩鋼防雨罩,皮帶輸送機防雨罩的骨架為連接角鋼或Z型鋼,其長度與輸送機罩安裝長度相等。將連接角鋼或Z型鋼焊接在輸送機架的兩側槽鋼或小角鋼上。如需安裝支撐角鋼的,先將支撐角鋼焊接在機架兩側,再把連接角鋼或Z型鋼焊接在支撐角鋼上。
四種形式的輸送機防雨罩中,固定罩和開閉式罩均由鍍鋅瓦楞鋼板或彩色涂層鋼板制成,一般每10個罩位中設9個固定罩、1個開閉式罩,也可兩種罩交替排列。安裝時,將開閉式罩壓在左右兩個相鄰的固定式罩上,其重合長度為一個波距或兩個波距。注意將開閉式罩有鉸鏈的一側置于輸送機非通行邊,而將有鎖扣的一側置于輸送機通行邊。
用自攻釘將防雨罩固定在連接角鋼或Z型鋼上,每片不少4個固定點。
折點罩僅用于輸送機凸弧段的折點處,而跑偏開關罩則專為罩住跑偏開關而設。兩種均蓋于固定式罩上。
每隔10片也可安裝1片觀察式防雨罩,方便維修和查看。

13582671816




當前位置:


